分類

特 點 Features
● IEC標準插座式一體化濾波器。 IEC Standard socket type integrated filter.
● 常規通用,安裝方便。General purpose, easy to install.
應 用 Application
● 各種小型電子設備和電子測量儀器。
A variety of small electronic equipment and electronic
measuring instruments.
性能指標 Characteristcs
額定電壓Rated voltage | 250VAC,50/60Hz;250VDC |
工作頻率 Operating Frequency | 50/60Hz |
額定電流Rated curren | 1A~20A@40℃max. |
耐壓試驗 (60s) Test Voltage | 1500VDC(線-線Line - line) 1500VAC(線-地Line - ground)3000VDC/2S |
氣候類別 Climate category | 25/100/21 |
產品型號表 Filter Table
型號 model | 輸出接線方式 | 額定電流A Rated curren | MAX泄漏電流mA leakage current | 放電電阻KΩ resistance | 電路圖Fig. Circuit diagram | 外形尺寸Fig. Outline Drawing | |
|
| ||||||
YX-211-1-IEC- | TT | WW | 1 | 0.5 | 1000 | 1 | 1/2 |
YX-211-3-IEC- | TT | WW | 3 | 0.5 | 1000 | 1 | 1/2 |
YX-211-6-IEC- | TT | WW | 6 | 0.5 | 1000 | 1 | 1/2 |
YX-211-10-IEC- | TT | WW | 10 | 0.5 | 1000 | 1 | 1/2 |
YX-211-16-IEC- | TT | WW | 16 | 0.5 | 1000 | 1 | 1/2 |
YX-221-1-IEC- | TT | 1 | 0.5 | 1000 | 2 | 3 | |
YX-221-3-IEC- | TT | 3 | 0.5 | 1000 | 2 | 3 | |
YX-221-6-IEC- | TT | 6 | 0.5 | 1000 | 2 | 3 | |
YX-221-10-IEC- | TT | 10 | 0.5 | 1000 | 2 | 3 | |
YX-221-16-IEC- | TT | 16 | 0.5 | 1000 | 2 | 3 | |
YX-231-1-IEC- | TT | 1 | 0.5 | 1000 | 3 | 4 | |
YX-231-3-IEC- | TT | 3 | 0.5 | 1000 | 3 | 4 | |
YX-231-6-IEC- | TT | 6 | 0.5 | 1000 | 3 | 4 | |
YX-231-10-IEC- | TT | 10 | 0.5 | 1000 | 3 | 4 | |
YX-231-16-IEC- | TT | 16 | 0.5 | 1000 | 3 | 4 | |
YX-241-1-IEC- | TT | 1 | 0.5 | 1000 | 4 | 4 | |
YX-241-3-IEC- | TT | 3 | 0.5 | 1000 | 4 | 4 | |
YX-241-6-IEC- | TT | 6 | 0.5 | 1000 | 4 | 4 | |
YX-241-10-IEC- | TT | 10 | 0.5 | 1000 | 4 | 4 | |
YX-241-16-IEC- | TT | 16 | 0.5 | 1000 | 4 | 4 | |
電原理圖Typical Circuit Diagram

Fig.1 Fig.2

Fig.3 Fig.4
插入損耗 Insertion LOSS in dB (50Ω測量系統,IEC/CISPR No.17號出版物)

1A 3A 6A

10A 16A
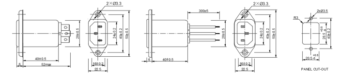
外形尺寸圖 Outline Drawing : mm

Fig.1 (插片式) Fig.2 (引線式)

Fig.3 (單保險絲)

Fig.4 (單/雙保險絲、雙開關)
CopyRight ? 2025 常州市宇軒電子有限公司 版權所有 蘇ICP備2022034447號-1 網站地圖 所有標簽 免責聲明 中環互聯網常州網站建設